Genuines Bosch Rexroth Part: 3842555566
Return Block Weight Counterbalance
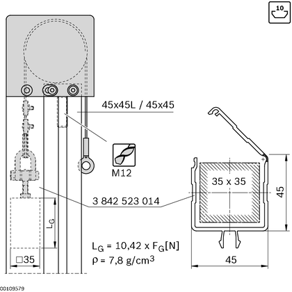
For liftings doors comprising a deflection pulley and control cable
Counterweight individually adjustable and preferably guided in a cable duct
Service life: 50,000 actuations
Profile Finishes: M12 for fastening the deflection pully
Fit lifting doors with a back-up fall arrestor in accordance with the Machinery Directive 2006/42/EC
Tech Specs
Profile Slot = 10
Colour = Signal Grey
Packaging unit = 1
Scope of delivery = Incl fastening material
Material Info = Fastening material; Steel, galvanised
Fastening Material included = 1 x M8 x 10 Tnut, 1 x M12x40 cylinder head screw DIN7984, 1 x M8x20 cylinder head screw DIN7984 and 1 x washer DIN433-A8.4







